Veredicto
O Acer Swift Go 16 AI oferece uma combinação impressionante de desempenho e portabilidade. Ele não apenas impressiona com sua excelente tela OLED, bateria de longa duração e poderoso processador AMD Ryzen AI, mas também com seu design. Pesando 1,5 kg, o laptop é perfeitamente adequado para uso em qualquer lugar. A carcaça de alumínio dá a ele uma aparência moderna e elegante e aumenta sua resistência.
Com o passar do tempo, podem surgir possíveis problemas com o fluxo de ar quente no painel OLED. Além disso, o ruído da ventoinha sob carga total e a qualidade relativamente moderada do alto-falante podem ser um problema para os usuários mais exigentes. Os 16 GB de RAM integrada também podem ser insuficientes para aplicativos de IA extensos.
Apesar desses pontos, o Acer Swift Go AI continua sendo um notebook impressionante em sua categoria, especialmente considerando seu preço abaixo de 1.000 euros.
Pro
Contra
Especificações
Estojo e conectividade
O Acer Swift Go se apresenta como elegante, ligeiramente angular e feito de alumínio. A tampa da tela é adornada com linhas finas e uma marca sutil. Quando aberto com uma mão, o laptop se eleva ligeiramente na parte traseira, o que melhora a ergonomia e o resfriamento. Isso dá ao laptop uma aparência de alta qualidade.
A webcam de 2,5K em sua pequena saliência na tela produz boas imagens. A conectividade Wi-Fi estável é garantida por um módulo MediaTek com Wi-Fi 7. A maioria das conexões está concentrada no lado esquerdo do laptop. Duas portas USB-4 também estão disponíveis aqui.
Os Top 10
» Os Top 10 Portáteis Multimídia
» Os Top 10 Portáteis de Jogos
» Os Top 10 Portáteis Leves para Jogos
» Os Top 10 Portáteis Acessíveis de Escritório/Empresariais
» Os Top 10 Portáteis Premium de Escritório/Empresariais
» Os Top 10 dos Portáteis Workstation
» Os Top 10 Subportáteis
» Os Top 10 Ultrabooks
» Os Top 10 Conversíveis
» Os Top 10 Tablets
» Os Top 10 Smartphones
» A melhores Telas de Portáteis Analisadas Pela Notebookcheck
» Top 10 dos portáteis abaixo dos 500 Euros da Notebookcheck
» Top 10 dos Portáteis abaixo dos 300 Euros

Sustentabilidade
O dispositivo está registrado no EPEAT e oferece sólida transparência em relação ao seu impacto ambiental por meio do fornecimento de um documento PCF (Product Carbon Footprint). O fato de ser fácil de acessar e limpar é uma vantagem. O gabinete é removível, os SSDs e os módulos WLAN podem ser trocados e há um segundo slot para SSD M.2 oculto sob o cabo plano que se conecta à subplaca.
Dispositivos de entrada
O teclado do Swift Go 16 AI oferece um layout completo, incluindo um bloco numérico dedicado. A iluminação de fundo e os pontos de pressão agradáveis e bem definidos são as marcas registradas dessas teclas. O touchpad de tamanho generoso funciona com precisão. Como recurso especial, ele sinaliza por meio de efeitos sutis de iluminação quando a NPU (Neural Processing Unit) do processador ou outras funções de IA são usadas ativamente.
Tela
O Acer Swift Go 16 AI está equipado com um excelente monitor OLED que chama imediatamente a atenção. As expectativas em relação à apresentação vívida característica dessa tecnologia de painel, com pretos perfeitos e contrastes extraordinariamente altos, foram atendidas. A resolução de 2.880 x 1.800 pixels (formato 16:10) é um tanto incomum, mas oferece uma densidade de pixels excepcional. Para garantir um desempenho particularmente suave da tela, ela apresenta uma taxa de atualização de 120 Hz.
| |||||||||||||||||||||||||
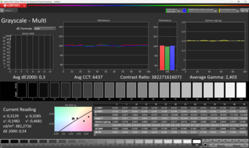
iluminação: 98 %
iluminação com acumulador: 391 cd/m²
Contraste: ∞:1 (Preto: 0 cd/m²)
ΔE ColorChecker Calman: 2.62 | ∀{0.5-29.43 Ø4.78}
calibrated: 1.54
ΔE Greyscale Calman: 3.3 | ∀{0.09-98 Ø5}
96.87% AdobeRGB 1998 (Argyll 3D)
100% sRGB (Argyll 3D)
99.66% Display P3 (Argyll 3D)
Gamma: 2.205
CCT: 6437 K
| Acer Swift Go 16 AI SFG16-61-R5Y5 ATNA60FV03-0, OLED, 2880x1800, 16", 120 Hz | Lenovo Yoga Pro 9 16IAH G10 RTX 5060 ATNA60HR04-0, OLED, 2880x1800, 16", 120 Hz | Dell 16 Plus AU Optronics B160QAN, IPS, 2560x1600, 16", 120 Hz | LG Gram Pro 16Z90TS-G.AU89G LG DISPLAY LP160WQ2-SPF1, IPS, 2560x1600, 16", 144 Hz | MSI Prestige 16 AI Evo B2HMG B160QAN03_R, IPS, 2560x1600, 16", 60 Hz | Acer Aspire 16 A16-51GM-77G2 N160JCA-EEK (Chi Mei CMN163D), IPS, 1920x1200, 16", 60 Hz | |
|---|---|---|---|---|---|---|
| Display | -3% | -14% | -4% | -5% | -50% | |
| Display P3 Coverage (%) | 99.66 | 99 -1% | 76.6 -23% | 97.96 -2% | 96.4 -3% | 42.3 -58% |
| sRGB Coverage (%) | 100 | 100 0% | 99.8 0% | 100 0% | 99.7 0% | 63.6 -36% |
| AdobeRGB 1998 Coverage (%) | 96.87 | 89.6 -8% | 78.4 -19% | 86.65 -11% | 84.3 -13% | 43.7 -55% |
| Response Times | 54% | -991% | -1454% | -1578% | -944% | |
| Response Time Grey 50% / Grey 80% * (ms) | 1.6 ? | 1.47 ? 8% | 32.8 ? -1950% | 47 ? -2838% | 51.5 ? -3119% | 31.4 ? -1863% |
| Response Time Black / White * (ms) | 17.8 ? | 0.42 ? 98% | 23.4 ? -31% | 30 ? -69% | 24.3 ? -37% | 22 ? -24% |
| PWM Frequency (Hz) | 220 | 1200 ? | ||||
| PWM Amplitude * (%) | 82 | 37 55% | ||||
| Screen | 38% | -33% | 34% | -52% | -62% | |
| Brightness middle (cd/m²) | 393 | 475 21% | 335.6 -15% | 442 12% | 471 20% | 352 -10% |
| Brightness (cd/m²) | 393 | 474 21% | 308 -22% | 406 3% | 455 16% | 324 -18% |
| Brightness Distribution (%) | 98 | 97 -1% | 88 -10% | 86 -12% | 92 -6% | 86 -12% |
| Black Level * (cd/m²) | 0.22 | 0.17 | 0.2 | 0.27 | ||
| Colorchecker dE 2000 * | 2.62 | 1 62% | 4.15 -58% | 0.84 68% | 5.8 -121% | 4.41 -68% |
| Colorchecker dE 2000 max. * | 5.11 | 2 61% | 9.8 -92% | 1.62 68% | 10.8 -111% | 15.04 -194% |
| Colorchecker dE 2000 calibrated * | 1.54 | 0.44 71% | 0.88 43% | 1.9 -23% | 3.52 -129% | |
| Greyscale dE 2000 * | 3.3 | 1.3 61% | 6.7 -103% | 1.53 54% | 7.8 -136% | 3.32 -1% |
| Gamma | 2.205 100% | 2.24 98% | 2.25 98% | 2.173 101% | 2.07 106% | 2.44 90% |
| CCT | 6437 101% | 6672 97% | 6260 104% | 6496 100% | 7262 90% | 7122 91% |
| Contrast (:1) | 1525 | 2600 | 2355 | 1304 | ||
| Média Total (Programa/Configurações) | 30% /
31% | -346% /
-188% | -475% /
-224% | -545% /
-294% | -352% /
-206% |
* ... menor é melhor
Para os profissionais de criação, a cobertura da gama de cores é fundamental: O monitor cobre quase todo o espaço de cores do Display P3. A precisão das cores, pronta para uso, já é notavelmente boa, exigindo pouca calibração. A oscilação durante a atualização da imagem é uma característica dos painéis OLED. Aqui isso acontece em uma frequência de 220 a 250 Hz.
Exibir tempos de resposta
| ↔ Tempo de resposta preto para branco | ||
|---|---|---|
| 17.8 ms ... ascensão ↗ e queda ↘ combinadas | ↗ 17 ms ascensão | |
| ↘ 0.8 ms queda | ||
| A tela mostra boas taxas de resposta em nossos testes, mas pode ser muito lenta para jogadores competitivos. Em comparação, todos os dispositivos testados variam de 0.1 (mínimo) a 240 (máximo) ms. » 39 % de todos os dispositivos são melhores. Isso significa que o tempo de resposta medido é melhor que a média de todos os dispositivos testados (20.2 ms). | ||
| ↔ Tempo de resposta 50% cinza a 80% cinza | ||
| 1.6 ms ... ascensão ↗ e queda ↘ combinadas | ↗ 0.8 ms ascensão | |
| ↘ 0.8 ms queda | ||
| A tela mostra taxas de resposta muito rápidas em nossos testes e deve ser muito adequada para jogos em ritmo acelerado. Em comparação, todos os dispositivos testados variam de 0.165 (mínimo) a 636 (máximo) ms. » 6 % de todos os dispositivos são melhores. Isso significa que o tempo de resposta medido é melhor que a média de todos os dispositivos testados (31.7 ms). | ||
Cintilação da tela / PWM (modulação por largura de pulso)
| Tela tremeluzindo/PWM detectado | 220 Hz Amplitude: 82 % | ||
A luz de fundo da tela pisca em 220 Hz (pior caso, por exemplo, utilizando PWM) . A frequência de 220 Hz é relativamente baixa, portanto, usuários sensíveis provavelmente notarão cintilação e sentirão fadiga ocular na configuração de brilho indicada e abaixo. [pwm_comparison] Em comparação: 53 % de todos os dispositivos testados não usam PWM para escurecer a tela. Se PWM foi detectado, uma média de 8145 (mínimo: 5 - máximo: 343500) Hz foi medida. | |||
Desempenho
A Acer oferece uma variedade de configurações de hardware para o Swift Go AI. Nosso dispositivo de teste está equipado com o processador AMD Ryzen AI 7 350, acompanhado de 16 GB de RAM, o que parece um pouco limitado, considerando o poderoso processador.
Condições de teste
Processador
O Ryzen AI 7 oferece um desempenho de CPU comparativamente alto que é suficiente para todas as tarefas do dia a dia. No entanto, quando comparado diretamente com o Lenovo Yoga Pro 9 e o MSI Prestige AI em benchmarks puramente computacionais, ele deve ceder espaço para concorrentes mais potentes, como o Intel Core Ultra 9 285H ou o Intel Core Ultra 7 255H. Esses chips Intel oferecem velocidades de clock mais altas e, às vezes, desempenho superior de núcleo único.
Cinebench R15 multi loop
Cinebench R23: Multi Core | Single Core
Cinebench R20: CPU (Multi Core) | CPU (Single Core)
Cinebench R15: CPU Multi 64Bit | CPU Single 64Bit
Blender: v2.79 BMW27 CPU
7-Zip 18.03: 7z b 4 | 7z b 4 -mmt1
Geekbench 6.5: Multi-Core | Single-Core
Geekbench 5.5: Multi-Core | Single-Core
HWBOT x265 Benchmark v2.2: 4k Preset
LibreOffice : 20 Documents To PDF
R Benchmark 2.5: Overall mean
| CPU Performance rating | |
| Lenovo Yoga Pro 9 16IAH G10 RTX 5060 | |
| MSI Prestige 16 AI Evo B2HMG | |
| Média AMD Ryzen AI 7 350 | |
| Acer Swift Go 16 AI SFG16-61-R5Y5 | |
| Média da turma Multimedia | |
| Acer Aspire 16 A16-51GM-77G2 | |
| LG Gram Pro 16Z90TS-G.AU89G | |
| Dell 16 Plus | |
| Cinebench R23 / Multi Core | |
| Lenovo Yoga Pro 9 16IAH G10 RTX 5060 | |
| MSI Prestige 16 AI Evo B2HMG | |
| Acer Swift Go 16 AI SFG16-61-R5Y5 | |
| Acer Swift Go 16 AI SFG16-61-R5Y5 | |
| Média AMD Ryzen AI 7 350 (12647 - 17899, n=15) | |
| Média da turma Multimedia (4861 - 30783, n=80, últimos 2 anos) | |
| LG Gram Pro 16Z90TS-G.AU89G | |
| LG Gram Pro 16Z90TS-G.AU89G | |
| Dell 16 Plus | |
| Acer Aspire 16 A16-51GM-77G2 | |
| Cinebench R23 / Single Core | |
| MSI Prestige 16 AI Evo B2HMG | |
| Lenovo Yoga Pro 9 16IAH G10 RTX 5060 | |
| Acer Aspire 16 A16-51GM-77G2 | |
| Média AMD Ryzen AI 7 350 (1916 - 2006, n=15) | |
| Acer Swift Go 16 AI SFG16-61-R5Y5 | |
| Acer Swift Go 16 AI SFG16-61-R5Y5 | |
| LG Gram Pro 16Z90TS-G.AU89G | |
| LG Gram Pro 16Z90TS-G.AU89G | |
| Média da turma Multimedia (1128 - 2459, n=72, últimos 2 anos) | |
| Dell 16 Plus | |
| Cinebench R20 / CPU (Multi Core) | |
| Lenovo Yoga Pro 9 16IAH G10 RTX 5060 | |
| MSI Prestige 16 AI Evo B2HMG | |
| Média AMD Ryzen AI 7 350 (4897 - 6990, n=13) | |
| Acer Swift Go 16 AI SFG16-61-R5Y5 | |
| Média da turma Multimedia (1887 - 11924, n=63, últimos 2 anos) | |
| LG Gram Pro 16Z90TS-G.AU89G | |
| Dell 16 Plus | |
| Acer Aspire 16 A16-51GM-77G2 | |
| Cinebench R20 / CPU (Single Core) | |
| MSI Prestige 16 AI Evo B2HMG | |
| Lenovo Yoga Pro 9 16IAH G10 RTX 5060 | |
| Acer Aspire 16 A16-51GM-77G2 | |
| Média AMD Ryzen AI 7 350 (751 - 784, n=13) | |
| Acer Swift Go 16 AI SFG16-61-R5Y5 | |
| LG Gram Pro 16Z90TS-G.AU89G | |
| Dell 16 Plus | |
| Média da turma Multimedia (420 - 853, n=63, últimos 2 anos) | |
| Cinebench R15 / CPU Multi 64Bit | |
| Lenovo Yoga Pro 9 16IAH G10 RTX 5060 | |
| MSI Prestige 16 AI Evo B2HMG | |
| Acer Swift Go 16 AI SFG16-61-R5Y5 | |
| Acer Swift Go 16 AI SFG16-61-R5Y5 | |
| Média da turma Multimedia (856 - 5224, n=69, últimos 2 anos) | |
| Média AMD Ryzen AI 7 350 (1932 - 2734, n=14) | |
| LG Gram Pro 16Z90TS-G.AU89G | |
| Acer Aspire 16 A16-51GM-77G2 | |
| Dell 16 Plus | |
| Cinebench R15 / CPU Single 64Bit | |
| MSI Prestige 16 AI Evo B2HMG | |
| Lenovo Yoga Pro 9 16IAH G10 RTX 5060 | |
| Acer Aspire 16 A16-51GM-77G2 | |
| Acer Swift Go 16 AI SFG16-61-R5Y5 | |
| Acer Swift Go 16 AI SFG16-61-R5Y5 | |
| LG Gram Pro 16Z90TS-G.AU89G | |
| Média AMD Ryzen AI 7 350 (204 - 305, n=14) | |
| Dell 16 Plus | |
| Média da turma Multimedia (99.6 - 323, n=66, últimos 2 anos) | |
| Blender / v2.79 BMW27 CPU | |
| Acer Swift Go 16 AI SFG16-61-R5Y5 | |
| Acer Swift Go 16 AI SFG16-61-R5Y5 | |
| Dell 16 Plus | |
| Acer Aspire 16 A16-51GM-77G2 | |
| LG Gram Pro 16Z90TS-G.AU89G | |
| Média da turma Multimedia (100 - 557, n=64, últimos 2 anos) | |
| Média AMD Ryzen AI 7 350 (182 - 386, n=14) | |
| MSI Prestige 16 AI Evo B2HMG | |
| Lenovo Yoga Pro 9 16IAH G10 RTX 5060 | |
| 7-Zip 18.03 / 7z b 4 | |
| Lenovo Yoga Pro 9 16IAH G10 RTX 5060 | |
| MSI Prestige 16 AI Evo B2HMG | |
| Média da turma Multimedia (29095 - 130368, n=61, últimos 2 anos) | |
| Acer Swift Go 16 AI SFG16-61-R5Y5 | |
| Média AMD Ryzen AI 7 350 (48124 - 64653, n=13) | |
| Acer Aspire 16 A16-51GM-77G2 | |
| LG Gram Pro 16Z90TS-G.AU89G | |
| Dell 16 Plus | |
| 7-Zip 18.03 / 7z b 4 -mmt1 | |
| Acer Aspire 16 A16-51GM-77G2 | |
| Média AMD Ryzen AI 7 350 (5544 - 6371, n=13) | |
| MSI Prestige 16 AI Evo B2HMG | |
| Acer Swift Go 16 AI SFG16-61-R5Y5 | |
| Lenovo Yoga Pro 9 16IAH G10 RTX 5060 | |
| LG Gram Pro 16Z90TS-G.AU89G | |
| Média da turma Multimedia (3666 - 7545, n=61, últimos 2 anos) | |
| Dell 16 Plus | |
| Geekbench 6.5 / Multi-Core | |
| MSI Prestige 16 AI Evo B2HMG | |
| Lenovo Yoga Pro 9 16IAH G10 RTX 5060 | |
| Média da turma Multimedia (4983 - 25760, n=76, últimos 2 anos) | |
| Média AMD Ryzen AI 7 350 (10774 - 14194, n=14) | |
| Acer Swift Go 16 AI SFG16-61-R5Y5 | |
| LG Gram Pro 16Z90TS-G.AU89G | |
| Dell 16 Plus | |
| Acer Aspire 16 A16-51GM-77G2 | |
| Geekbench 6.5 / Single-Core | |
| MSI Prestige 16 AI Evo B2HMG | |
| Lenovo Yoga Pro 9 16IAH G10 RTX 5060 | |
| Acer Swift Go 16 AI SFG16-61-R5Y5 | |
| Acer Aspire 16 A16-51GM-77G2 | |
| Dell 16 Plus | |
| LG Gram Pro 16Z90TS-G.AU89G | |
| Média AMD Ryzen AI 7 350 (1874 - 2942, n=14) | |
| Média da turma Multimedia (1534 - 4326, n=72, últimos 2 anos) | |
| Geekbench 5.5 / Multi-Core | |
| Lenovo Yoga Pro 9 16IAH G10 RTX 5060 | |
| MSI Prestige 16 AI Evo B2HMG | |
| Média da turma Multimedia (4652 - 20422, n=63, últimos 2 anos) | |
| Média AMD Ryzen AI 7 350 (6705 - 12968, n=15) | |
| Acer Swift Go 16 AI SFG16-61-R5Y5 | |
| Acer Swift Go 16 AI SFG16-61-R5Y5 | |
| Dell 16 Plus | |
| LG Gram Pro 16Z90TS-G.AU89G | |
| Acer Aspire 16 A16-51GM-77G2 | |
| Geekbench 5.5 / Single-Core | |
| MSI Prestige 16 AI Evo B2HMG | |
| Acer Swift Go 16 AI SFG16-61-R5Y5 | |
| Acer Swift Go 16 AI SFG16-61-R5Y5 | |
| LG Gram Pro 16Z90TS-G.AU89G | |
| Dell 16 Plus | |
| Lenovo Yoga Pro 9 16IAH G10 RTX 5060 | |
| Acer Aspire 16 A16-51GM-77G2 | |
| Média da turma Multimedia (805 - 2974, n=63, últimos 2 anos) | |
| Média AMD Ryzen AI 7 350 (805 - 2155, n=15) | |
| HWBOT x265 Benchmark v2.2 / 4k Preset | |
| Lenovo Yoga Pro 9 16IAH G10 RTX 5060 | |
| MSI Prestige 16 AI Evo B2HMG | |
| Média AMD Ryzen AI 7 350 (16.2 - 22.9, n=13) | |
| Acer Swift Go 16 AI SFG16-61-R5Y5 | |
| Média da turma Multimedia (5.26 - 34.3, n=61, últimos 2 anos) | |
| LG Gram Pro 16Z90TS-G.AU89G | |
| Dell 16 Plus | |
| Acer Aspire 16 A16-51GM-77G2 | |
| LibreOffice / 20 Documents To PDF | |
| Média AMD Ryzen AI 7 350 (43.3 - 88.8, n=13) | |
| Média da turma Multimedia (23.9 - 146.7, n=62, últimos 2 anos) | |
| LG Gram Pro 16Z90TS-G.AU89G | |
| Dell 16 Plus | |
| MSI Prestige 16 AI Evo B2HMG | |
| Acer Swift Go 16 AI SFG16-61-R5Y5 | |
| Lenovo Yoga Pro 9 16IAH G10 RTX 5060 | |
| Acer Aspire 16 A16-51GM-77G2 | |
| R Benchmark 2.5 / Overall mean | |
| Média da turma Multimedia (0.3604 - 0.947, n=61, últimos 2 anos) | |
| LG Gram Pro 16Z90TS-G.AU89G | |
| Dell 16 Plus | |
| Acer Aspire 16 A16-51GM-77G2 | |
| Lenovo Yoga Pro 9 16IAH G10 RTX 5060 | |
| MSI Prestige 16 AI Evo B2HMG | |
| Acer Swift Go 16 AI SFG16-61-R5Y5 | |
| Média AMD Ryzen AI 7 350 (0.403 - 0.4934, n=13) | |
* ... menor é melhor
AIDA64: FP32 Ray-Trace | FPU Julia | CPU SHA3 | CPU Queen | FPU SinJulia | FPU Mandel | CPU AES | CPU ZLib | FP64 Ray-Trace | CPU PhotoWorxx
| Performance rating | |
| Lenovo Yoga Pro 9 16IAH G10 RTX 5060 | |
| Média AMD Ryzen AI 7 350 | |
| Acer Swift Go 16 AI SFG16-61-R5Y5 | |
| MSI Prestige 16 AI Evo B2HMG | |
| Média da turma Multimedia | |
| LG Gram Pro 16Z90TS-G.AU89G | |
| Dell 16 Plus | |
| Acer Aspire 16 A16-51GM-77G2 | |
| AIDA64 / FP32 Ray-Trace | |
| Média AMD Ryzen AI 7 350 (20203 - 28112, n=13) | |
| Acer Swift Go 16 AI SFG16-61-R5Y5 | |
| Lenovo Yoga Pro 9 16IAH G10 RTX 5060 | |
| MSI Prestige 16 AI Evo B2HMG | |
| Média da turma Multimedia (2214 - 50388, n=58, últimos 2 anos) | |
| LG Gram Pro 16Z90TS-G.AU89G | |
| Dell 16 Plus | |
| Acer Aspire 16 A16-51GM-77G2 | |
| AIDA64 / FPU Julia | |
| Lenovo Yoga Pro 9 16IAH G10 RTX 5060 | |
| Média AMD Ryzen AI 7 350 (75098 - 108991, n=13) | |
| Acer Swift Go 16 AI SFG16-61-R5Y5 | |
| MSI Prestige 16 AI Evo B2HMG | |
| Média da turma Multimedia (12867 - 201874, n=59, últimos 2 anos) | |
| LG Gram Pro 16Z90TS-G.AU89G | |
| Dell 16 Plus | |
| Acer Aspire 16 A16-51GM-77G2 | |
| AIDA64 / CPU SHA3 | |
| Lenovo Yoga Pro 9 16IAH G10 RTX 5060 | |
| MSI Prestige 16 AI Evo B2HMG | |
| Acer Swift Go 16 AI SFG16-61-R5Y5 | |
| Média AMD Ryzen AI 7 350 (3395 - 4399, n=13) | |
| Média da turma Multimedia (653 - 8623, n=59, últimos 2 anos) | |
| LG Gram Pro 16Z90TS-G.AU89G | |
| Dell 16 Plus | |
| Acer Aspire 16 A16-51GM-77G2 | |
| AIDA64 / CPU Queen | |
| Média da turma Multimedia (13483 - 181505, n=59, últimos 2 anos) | |
| Média AMD Ryzen AI 7 350 (67317 - 77400, n=13) | |
| Acer Swift Go 16 AI SFG16-61-R5Y5 | |
| Acer Aspire 16 A16-51GM-77G2 | |
| MSI Prestige 16 AI Evo B2HMG | |
| Lenovo Yoga Pro 9 16IAH G10 RTX 5060 | |
| LG Gram Pro 16Z90TS-G.AU89G | |
| Dell 16 Plus | |
| AIDA64 / FPU SinJulia | |
| Acer Swift Go 16 AI SFG16-61-R5Y5 | |
| Média AMD Ryzen AI 7 350 (11916 - 13856, n=13) | |
| Média da turma Multimedia (1240 - 28794, n=59, últimos 2 anos) | |
| Lenovo Yoga Pro 9 16IAH G10 RTX 5060 | |
| MSI Prestige 16 AI Evo B2HMG | |
| Acer Aspire 16 A16-51GM-77G2 | |
| LG Gram Pro 16Z90TS-G.AU89G | |
| Dell 16 Plus | |
| AIDA64 / FPU Mandel | |
| Lenovo Yoga Pro 9 16IAH G10 RTX 5060 | |
| Média AMD Ryzen AI 7 350 (39456 - 58771, n=12) | |
| Acer Swift Go 16 AI SFG16-61-R5Y5 | |
| MSI Prestige 16 AI Evo B2HMG | |
| Média da turma Multimedia (6395 - 105740, n=58, últimos 2 anos) | |
| LG Gram Pro 16Z90TS-G.AU89G | |
| Dell 16 Plus | |
| Acer Aspire 16 A16-51GM-77G2 | |
| AIDA64 / CPU AES | |
| Lenovo Yoga Pro 9 16IAH G10 RTX 5060 | |
| Acer Swift Go 16 AI SFG16-61-R5Y5 | |
| Média AMD Ryzen AI 7 350 (56915 - 87670, n=13) | |
| Média da turma Multimedia (13243 - 169946, n=59, últimos 2 anos) | |
| MSI Prestige 16 AI Evo B2HMG | |
| Acer Aspire 16 A16-51GM-77G2 | |
| Dell 16 Plus | |
| LG Gram Pro 16Z90TS-G.AU89G | |
| AIDA64 / CPU ZLib | |
| Lenovo Yoga Pro 9 16IAH G10 RTX 5060 | |
| Média AMD Ryzen AI 7 350 (839 - 1138, n=13) | |
| Acer Swift Go 16 AI SFG16-61-R5Y5 | |
| MSI Prestige 16 AI Evo B2HMG | |
| Média da turma Multimedia (167.2 - 2022, n=59, últimos 2 anos) | |
| Acer Aspire 16 A16-51GM-77G2 | |
| LG Gram Pro 16Z90TS-G.AU89G | |
| Dell 16 Plus | |
| AIDA64 / FP64 Ray-Trace | |
| Média AMD Ryzen AI 7 350 (10707 - 15203, n=12) | |
| Acer Swift Go 16 AI SFG16-61-R5Y5 | |
| Lenovo Yoga Pro 9 16IAH G10 RTX 5060 | |
| MSI Prestige 16 AI Evo B2HMG | |
| Média da turma Multimedia (1014 - 26875, n=59, últimos 2 anos) | |
| LG Gram Pro 16Z90TS-G.AU89G | |
| Dell 16 Plus | |
| Acer Aspire 16 A16-51GM-77G2 | |
| AIDA64 / CPU PhotoWorxx | |
| Lenovo Yoga Pro 9 16IAH G10 RTX 5060 | |
| MSI Prestige 16 AI Evo B2HMG | |
| LG Gram Pro 16Z90TS-G.AU89G | |
| Dell 16 Plus | |
| Média da turma Multimedia (12860 - 65787, n=59, últimos 2 anos) | |
| Média AMD Ryzen AI 7 350 (25283 - 47405, n=13) | |
| Acer Swift Go 16 AI SFG16-61-R5Y5 | |
| Acer Aspire 16 A16-51GM-77G2 | |
Desempenho do sistema
No quadro geral do desempenho do sistema, essa diferença é bastante insignificante. Isso pode ser atribuído ao excelente ajuste dos componentes. A rápida memória LPDDR5X e a potente unidade gráfica integrada (iGPU) contribuem significativamente para garantir que todo o sistema opere de forma suave e responsiva em todos os momentos.
PCMark 10: Score | Essentials | Productivity | Digital Content Creation
CrossMark: Overall | Productivity | Creativity | Responsiveness
WebXPRT 3: Overall
WebXPRT 4: Overall
Mozilla Kraken 1.1: Total
| Performance rating | |
| MSI Prestige 16 AI Evo B2HMG | |
| Lenovo Yoga Pro 9 16IAH G10 RTX 5060 | |
| Acer Aspire 16 A16-51GM-77G2 | |
| Acer Swift Go 16 AI SFG16-61-R5Y5 | |
| Média AMD Ryzen AI 7 350, AMD Radeon 860M | |
| Média da turma Multimedia | |
| Dell 16 Plus | |
| LG Gram Pro 16Z90TS-G.AU89G | |
| PCMark 10 / Score | |
| MSI Prestige 16 AI Evo B2HMG | |
| Lenovo Yoga Pro 9 16IAH G10 RTX 5060 | |
| Acer Swift Go 16 AI SFG16-61-R5Y5 | |
| Média AMD Ryzen AI 7 350, AMD Radeon 860M (6982 - 7732, n=10) | |
| Dell 16 Plus | |
| Média da turma Multimedia (4325 - 8670, n=55, últimos 2 anos) | |
| LG Gram Pro 16Z90TS-G.AU89G | |
| Acer Aspire 16 A16-51GM-77G2 | |
| PCMark 10 / Essentials | |
| Média AMD Ryzen AI 7 350, AMD Radeon 860M (10801 - 12383, n=10) | |
| MSI Prestige 16 AI Evo B2HMG | |
| Acer Aspire 16 A16-51GM-77G2 | |
| Acer Swift Go 16 AI SFG16-61-R5Y5 | |
| Lenovo Yoga Pro 9 16IAH G10 RTX 5060 | |
| Dell 16 Plus | |
| Média da turma Multimedia (8025 - 12420, n=55, últimos 2 anos) | |
| LG Gram Pro 16Z90TS-G.AU89G | |
| PCMark 10 / Productivity | |
| Acer Swift Go 16 AI SFG16-61-R5Y5 | |
| Média AMD Ryzen AI 7 350, AMD Radeon 860M (9674 - 11226, n=10) | |
| MSI Prestige 16 AI Evo B2HMG | |
| Dell 16 Plus | |
| Acer Aspire 16 A16-51GM-77G2 | |
| Lenovo Yoga Pro 9 16IAH G10 RTX 5060 | |
| Média da turma Multimedia (6763 - 10615, n=55, últimos 2 anos) | |
| LG Gram Pro 16Z90TS-G.AU89G | |
| PCMark 10 / Digital Content Creation | |
| Lenovo Yoga Pro 9 16IAH G10 RTX 5060 | |
| MSI Prestige 16 AI Evo B2HMG | |
| Dell 16 Plus | |
| Acer Swift Go 16 AI SFG16-61-R5Y5 | |
| Média da turma Multimedia (3651 - 15438, n=55, últimos 2 anos) | |
| Média AMD Ryzen AI 7 350, AMD Radeon 860M (8746 - 10028, n=10) | |
| LG Gram Pro 16Z90TS-G.AU89G | |
| Acer Aspire 16 A16-51GM-77G2 | |
| CrossMark / Overall | |
| MSI Prestige 16 AI Evo B2HMG | |
| Lenovo Yoga Pro 9 16IAH G10 RTX 5060 | |
| Acer Aspire 16 A16-51GM-77G2 | |
| Média AMD Ryzen AI 7 350, AMD Radeon 860M (1452 - 2005, n=10) | |
| Média da turma Multimedia (866 - 2426, n=64, últimos 2 anos) | |
| Acer Swift Go 16 AI SFG16-61-R5Y5 | |
| Dell 16 Plus | |
| LG Gram Pro 16Z90TS-G.AU89G | |
| CrossMark / Productivity | |
| MSI Prestige 16 AI Evo B2HMG | |
| Acer Aspire 16 A16-51GM-77G2 | |
| Lenovo Yoga Pro 9 16IAH G10 RTX 5060 | |
| Média da turma Multimedia (913 - 2344, n=64, últimos 2 anos) | |
| Média AMD Ryzen AI 7 350, AMD Radeon 860M (1337 - 1869, n=10) | |
| Dell 16 Plus | |
| Acer Swift Go 16 AI SFG16-61-R5Y5 | |
| LG Gram Pro 16Z90TS-G.AU89G | |
| CrossMark / Creativity | |
| Lenovo Yoga Pro 9 16IAH G10 RTX 5060 | |
| MSI Prestige 16 AI Evo B2HMG | |
| Média AMD Ryzen AI 7 350, AMD Radeon 860M (1696 - 2236, n=10) | |
| Média da turma Multimedia (907 - 2820, n=64, últimos 2 anos) | |
| Dell 16 Plus | |
| LG Gram Pro 16Z90TS-G.AU89G | |
| Acer Swift Go 16 AI SFG16-61-R5Y5 | |
| Acer Aspire 16 A16-51GM-77G2 | |
| CrossMark / Responsiveness | |
| MSI Prestige 16 AI Evo B2HMG | |
| Acer Aspire 16 A16-51GM-77G2 | |
| Lenovo Yoga Pro 9 16IAH G10 RTX 5060 | |
| Média da turma Multimedia (605 - 2094, n=64, últimos 2 anos) | |
| Média AMD Ryzen AI 7 350, AMD Radeon 860M (1169 - 1784, n=10) | |
| Acer Swift Go 16 AI SFG16-61-R5Y5 | |
| Dell 16 Plus | |
| LG Gram Pro 16Z90TS-G.AU89G | |
| WebXPRT 3 / Overall | |
| MSI Prestige 16 AI Evo B2HMG | |
| Média da turma Multimedia (136.4 - 545, n=67, últimos 2 anos) | |
| Acer Swift Go 16 AI SFG16-61-R5Y5 | |
| Lenovo Yoga Pro 9 16IAH G10 RTX 5060 | |
| Acer Aspire 16 A16-51GM-77G2 | |
| Dell 16 Plus | |
| Média AMD Ryzen AI 7 350, AMD Radeon 860M (259 - 328, n=10) | |
| LG Gram Pro 16Z90TS-G.AU89G | |
| WebXPRT 4 / Overall | |
| MSI Prestige 16 AI Evo B2HMG | |
| Lenovo Yoga Pro 9 16IAH G10 RTX 5060 | |
| Dell 16 Plus | |
| LG Gram Pro 16Z90TS-G.AU89G | |
| Acer Aspire 16 A16-51GM-77G2 | |
| Média da turma Multimedia (167.3 - 384, n=65, últimos 2 anos) | |
| Acer Swift Go 16 AI SFG16-61-R5Y5 | |
| Média AMD Ryzen AI 7 350, AMD Radeon 860M (199.1 - 275, n=10) | |
| Mozilla Kraken 1.1 / Total | |
| Média AMD Ryzen AI 7 350, AMD Radeon 860M (434 - 693, n=10) | |
| LG Gram Pro 16Z90TS-G.AU89G | |
| Média da turma Multimedia (228 - 835, n=70, últimos 2 anos) | |
| Dell 16 Plus | |
| Acer Aspire 16 A16-51GM-77G2 | |
| Lenovo Yoga Pro 9 16IAH G10 RTX 5060 | |
| Acer Swift Go 16 AI SFG16-61-R5Y5 | |
| MSI Prestige 16 AI Evo B2HMG | |
* ... menor é melhor
| PCMark 10 Score | 7494 pontos | |
Ajuda | ||
| AIDA64 / Memory Copy | |
| Lenovo Yoga Pro 9 16IAH G10 RTX 5060 | |
| LG Gram Pro 16Z90TS-G.AU89G | |
| Dell 16 Plus | |
| MSI Prestige 16 AI Evo B2HMG | |
| Acer Swift Go 16 AI SFG16-61-R5Y5 | |
| Média AMD Ryzen AI 7 350 (38001 - 106997, n=13) | |
| Média da turma Multimedia (21158 - 109252, n=59, últimos 2 anos) | |
| Acer Aspire 16 A16-51GM-77G2 | |
| AIDA64 / Memory Read | |
| Dell 16 Plus | |
| LG Gram Pro 16Z90TS-G.AU89G | |
| Lenovo Yoga Pro 9 16IAH G10 RTX 5060 | |
| MSI Prestige 16 AI Evo B2HMG | |
| Média da turma Multimedia (19699 - 125604, n=59, últimos 2 anos) | |
| Acer Swift Go 16 AI SFG16-61-R5Y5 | |
| Média AMD Ryzen AI 7 350 (44209 - 63650, n=13) | |
| Acer Aspire 16 A16-51GM-77G2 | |
| AIDA64 / Memory Write | |
| Dell 16 Plus | |
| Acer Swift Go 16 AI SFG16-61-R5Y5 | |
| LG Gram Pro 16Z90TS-G.AU89G | |
| Média AMD Ryzen AI 7 350 (42604 - 110817, n=13) | |
| Lenovo Yoga Pro 9 16IAH G10 RTX 5060 | |
| Média da turma Multimedia (21643 - 117933, n=59, últimos 2 anos) | |
| MSI Prestige 16 AI Evo B2HMG | |
| Acer Aspire 16 A16-51GM-77G2 | |
| AIDA64 / Memory Latency | |
| MSI Prestige 16 AI Evo B2HMG | |
| Lenovo Yoga Pro 9 16IAH G10 RTX 5060 | |
| Média da turma Multimedia (7 - 420, n=59, últimos 2 anos) | |
| Acer Swift Go 16 AI SFG16-61-R5Y5 | |
| Média AMD Ryzen AI 7 350 (87.7 - 109.8, n=13) | |
| Dell 16 Plus | |
| LG Gram Pro 16Z90TS-G.AU89G | |
| Acer Aspire 16 A16-51GM-77G2 | |
* ... menor é melhor
Latência DPC
| DPC Latencies / LatencyMon - interrupt to process latency (max), Web, Youtube, Prime95 | |
| Acer Swift Go 16 AI SFG16-61-R5Y5 | |
* ... menor é melhor
Dispositivos de armazenamento
O armazenamento em massa consiste em um SSD NVMe de 1 TB da Kingston. As taxas de transferência são decentes e, no uso diário, garantem tempos de inicialização rápidos e processos de carregamento rápidos. No entanto, um ponto fraco é o estrangulamento do desempenho dependente da temperatura durante operações prolongadas e sustentadas de leitura ou gravação. A SSD não consegue manter seu alto desempenho sob carga contínua.
* ... menor é melhor
Limitação de disco: Loop de leitura do DiskSpd, profundidade da fila 8
Desempenho da GPU
A AMD Radeon 860M (iGPU) integrada é poderosa para uma solução móvel. Para obter taxas de quadros (FPS) jogáveis em jogos modernos, é aconselhável limitar a resolução a Full HD e escolher configurações de qualidade média. Configurações mais altas podem levar rapidamente a uma queda significativa no FPS em títulos AAA atuais, afetando gravemente a suavidade do jogo. No entanto, para jogos casuais e jogos mais antigos, a 860M oferece um desempenho sólido.
| 3DMark Performance rating - Percent | |
| Média da turma Multimedia | |
| Acer Swift Go 16 AI SFG16-61-R5Y5 | |
| Média AMD Radeon 860M | |
| 3DMark 11 - 1280x720 Performance GPU | |
| Média da turma Multimedia (3765 - 60002, n=59, últimos 2 anos) | |
| Acer Swift Go 16 AI SFG16-61-R5Y5 | |
| Média AMD Radeon 860M (6901 - 12149, n=12) | |
| 3DMark | |
| 1280x720 Cloud Gate Standard Graphics | |
| Média da turma Multimedia (16765 - 135848, n=28, últimos 2 anos) | |
| Acer Swift Go 16 AI SFG16-61-R5Y5 | |
| Média AMD Radeon 860M (24614 - 43959, n=7) | |
| 1920x1080 Fire Strike Graphics | |
| Média da turma Multimedia (2328 - 48907, n=63, últimos 2 anos) | |
| Acer Swift Go 16 AI SFG16-61-R5Y5 | |
| Média AMD Radeon 860M (4449 - 7935, n=12) | |
| 2560x1440 Time Spy Graphics | |
| Média da turma Multimedia (696 - 19403, n=64, últimos 2 anos) | |
| Média AMD Radeon 860M (1656 - 2987, n=12) | |
| Acer Swift Go 16 AI SFG16-61-R5Y5 | |
| 3DMark 11 Performance | 11710 pontos | |
| 3DMark Ice Storm Standard Score | 199679 pontos | |
| 3DMark Cloud Gate Standard Score | 33922 pontos | |
| 3DMark Fire Strike Score | 6796 pontos | |
| 3DMark Time Spy Score | 2109 pontos | |
| 3DMark Steel Nomad Score | 492 pontos | |
| 3DMark Steel Nomad Light Score | 2001 pontos | |
Ajuda | ||
| Blender - v3.3 Classroom CPU | |
| Média da turma Multimedia (160 - 1042, n=65, últimos 2 anos) | |
| Média AMD Radeon 860M (283 - 427, n=14) | |
| Acer Swift Go 16 AI SFG16-61-R5Y5 | |
| Acer Swift Go 16 AI SFG16-61-R5Y5 | |
* ... menor é melhor
| Cyberpunk 2077 2.2 Phantom Liberty - 1920x1080 Ultra Preset (FSR off) | |
| Lenovo Yoga Pro 9 16IAH G10 RTX 5060 | |
| Média da turma Multimedia (6.41 - 112.3, n=70, últimos 2 anos) | |
| MSI Prestige 16 AI Evo B2HMG | |
| Acer Aspire 16 A16-51GM-77G2 | |
| Dell 16 Plus | |
| LG Gram Pro 16Z90TS-G.AU89G | |
| Acer Swift Go 16 AI SFG16-61-R5Y5 | |
| GTA V - 1920x1080 Highest Settings possible AA:4xMSAA + FX AF:16x | |
| Lenovo Yoga Pro 9 16IAH G10 RTX 5060 | |
| Média da turma Multimedia (9.38 - 141.6, n=58, últimos 2 anos) | |
| Acer Aspire 16 A16-51GM-77G2 | |
| LG Gram Pro 16Z90TS-G.AU89G | |
| Acer Swift Go 16 AI SFG16-61-R5Y5 | |
| MSI Prestige 16 AI Evo B2HMG | |
Gráfico de ultra FPS do Cyberpunk 2077
| baixo | média | alto | ultra | QHD | |
|---|---|---|---|---|---|
| GTA V (2015) | 171.8 | 58.1 | 22 | ||
| Dota 2 Reborn (2015) | 153.3 | 130.1 | 87.4 | 77.1 | |
| Final Fantasy XV Benchmark (2018) | 76.7 | 37.1 | 26.3 | 18.4 | |
| X-Plane 11.11 (2018) | 69.5 | 55.6 | 44.5 | ||
| Strange Brigade (2018) | 150.1 | 56.5 | 47.8 | 41.4 | |
| Baldur's Gate 3 (2023) | 18 | ||||
| Cyberpunk 2077 2.2 Phantom Liberty (2023) | 36.1 | 18 | 16.7 | ||
| F1 25 (2025) | 65.4 | 54.2 | 38 | 30.7 |
Emissões e energia
Ruído do sistema
Um conjunto robusto de tímpanos é necessário para aqueles que desejam aproveitar ao máximo esse dispositivo. Embora o Acer Swift Go permaneça quase inaudível durante a operação normal, ele se torna bastante alto em nosso teste de estresse com resfriamento máximo. Medimos até 53 dB(A) a uma distância de 15 cm.
Barulho
| Ocioso |
| 25.1 / 25.1 / 25.1 dB |
| Carga |
| / 52.3 dB |
![]() | ||
30 dB silencioso 40 dB(A) audível 50 dB(A) ruidosamente alto |
||
min: | ||
| Acer Swift Go 16 AI SFG16-61-R5Y5 Radeon 860M, Ryzen AI 7 350, Kingston OM8PGP41024Q-A0 | Lenovo Yoga Pro 9 16IAH G10 RTX 5060 GeForce RTX 5060 Laptop, Ultra 7 255H, WD PC SN7100S SDFPMSL-1T00-1101 | Dell 16 Plus Arc 140V, Core Ultra 7 256V | LG Gram Pro 16Z90TS-G.AU89G Arc 140V, Core Ultra 7 256V, Samsung PM9A1a MZVL21T0HDLU | MSI Prestige 16 AI Evo B2HMG Arc 140T, Ultra 9 285H, Micron 2500 1TB MTFDKBA1T0QGN | Acer Aspire 16 A16-51GM-77G2 GeForce RTX 2050 Mobile, Core 7 150U, WD PC SN740 SDDQNQD-1T00-1014 | |
|---|---|---|---|---|---|---|
| Noise | -1% | 9% | 4% | 9% | 2% | |
| desligado / ambiente * (dB) | 25 | 25.2 -1% | 23.4 6% | 25.2 -1% | 23.6 6% | 23 8% |
| Idle Minimum * (dB) | 25.1 | 25.2 -0% | 23.5 6% | 25.2 -0% | 23.6 6% | 23 8% |
| Idle Average * (dB) | 25.1 | 25.2 -0% | 23.5 6% | 25.2 -0% | 23.6 6% | 23 8% |
| Idle Maximum * (dB) | 25.1 | 26.9 -7% | 23.5 6% | 27.7 -10% | 26.2 -4% | 31 -24% |
| Cyberpunk 2077 ultra * (dB) | 52.4 | 50.2 4% | 42.6 19% | 42.6 19% | 42.1 20% | 50 5% |
| Load Maximum * (dB) | 52.3 | 52.7 -1% | 46.9 10% | 42.7 18% | 42.1 20% | 50 4% |
| Load Average * (dB) | 44.5 | 31.9 | 37.1 | 46.57 |
* ... menor é melhor
Temperaturas
As temperaturas da superfície do Swift Go são, em sua maioria, controláveis para os usuários. As teclas, as áreas de apoio para as mãos e o touchpad permanecem em temperaturas confortáveis, mesmo durante os testes de estresse. Estamos mais preocupados com o ar quente que sopra no painel OLED, que mede mais de 50 °C na borda inferior da tela. Em temperaturas tão altas, os painéis OLED podem perder parte de sua vida útil.
(±) A temperatura máxima no lado superior é 45 °C / 113 F, em comparação com a média de 36.9 °C / 98 F , variando de 21.1 a 71 °C para a classe Multimedia.
(+) A parte inferior aquece até um máximo de 38 °C / 100 F, em comparação com a média de 39.2 °C / 103 F
(+) Em uso inativo, a temperatura média para o lado superior é 28.9 °C / 84 F, em comparação com a média do dispositivo de 31.3 °C / ### class_avg_f### F.
(+) Os apoios para as mãos e o touchpad são mais frios que a temperatura da pele, com um máximo de 27 °C / 80.6 F e, portanto, são frios ao toque.
(±) A temperatura média da área do apoio para as mãos de dispositivos semelhantes foi 28.7 °C / 83.7 F (+1.7 °C / 3.1 F).
| Acer Swift Go 16 AI SFG16-61-R5Y5 AMD Ryzen AI 7 350, AMD Radeon 860M | Lenovo Yoga Pro 9 16IAH G10 RTX 5060 Intel Core Ultra 7 255H, NVIDIA GeForce RTX 5060 Laptop | Dell 16 Plus Intel Core Ultra 7 256V, Intel Arc Graphics 140V | LG Gram Pro 16Z90TS-G.AU89G Intel Core Ultra 7 256V, Intel Arc Graphics 140V | MSI Prestige 16 AI Evo B2HMG Intel Core Ultra 9 285H, Intel Arc Graphics 140T | Acer Aspire 16 A16-51GM-77G2 Intel Core 7 150U, NVIDIA GeForce RTX 2050 Mobile | |
|---|---|---|---|---|---|---|
| Heat | 2% | 8% | 6% | 1% | -7% | |
| Maximum Upper Side * (°C) | 45 | 42.9 5% | 40.6 10% | 40.5 10% | 48.1 -7% | 47 -4% |
| Maximum Bottom * (°C) | 38 | 47.4 -25% | 40 -5% | 45 -18% | 51.6 -36% | 50 -32% |
| Idle Upper Side * (°C) | 32 | 27.6 14% | 29.2 9% | 27.1 15% | 25.9 19% | 31 3% |
| Idle Bottom * (°C) | 34 | 29 15% | 28.6 16% | 28.8 15% | 25.2 26% | 32 6% |
* ... menor é melhor
Alto-falantes
Os alto-falantes do Swift Go AI atingem aproximadamente 83 dB(A) e proporcionam um som claro para fala e podcasts. Sua resposta de graves é bastante fraca e a resposta de agudos é um pouco exagerada. Portanto, a dinâmica do som não é ideal para filmes ou música.
Acer Swift Go 16 AI SFG16-61-R5Y5 análise de áudio
(+) | os alto-falantes podem tocar relativamente alto (###valor### dB)
Graves 100 - 315Hz
(-) | quase nenhum baixo - em média 28% menor que a mediana
(±) | a linearidade dos graves é média (7.9% delta para a frequência anterior)
Médios 400 - 2.000 Hz
(±) | médios mais altos - em média 5.1% maior que a mediana
(±) | a linearidade dos médios é média (7% delta para frequência anterior)
Altos 2 - 16 kHz
(+) | agudos equilibrados - apenas 3.2% longe da mediana
(+) | os máximos são lineares (6.2% delta da frequência anterior)
Geral 100 - 16.000 Hz
(±) | a linearidade do som geral é média (19.8% diferença em relação à mediana)
Comparado com a mesma classe
» 64% de todos os dispositivos testados nesta classe foram melhores, 7% semelhantes, 29% piores
» O melhor teve um delta de 5%, a média foi 17%, o pior foi 45%
Comparado com todos os dispositivos testados
» 49% de todos os dispositivos testados foram melhores, 7% semelhantes, 43% piores
» O melhor teve um delta de 4%, a média foi 24%, o pior foi 134%
Apple MacBook Pro 16 2021 M1 Pro análise de áudio
(+) | os alto-falantes podem tocar relativamente alto (###valor### dB)
Graves 100 - 315Hz
(+) | bons graves - apenas 3.8% longe da mediana
(+) | o baixo é linear (5.2% delta para a frequência anterior)
Médios 400 - 2.000 Hz
(+) | médios equilibrados - apenas 1.3% longe da mediana
(+) | médios são lineares (2.1% delta para frequência anterior)
Altos 2 - 16 kHz
(+) | agudos equilibrados - apenas 1.9% longe da mediana
(+) | os máximos são lineares (2.7% delta da frequência anterior)
Geral 100 - 16.000 Hz
(+) | o som geral é linear (4.6% diferença em relação à mediana)
Comparado com a mesma classe
» 0% de todos os dispositivos testados nesta classe foram melhores, 0% semelhantes, 100% piores
» O melhor teve um delta de 5%, a média foi 17%, o pior foi 45%
Comparado com todos os dispositivos testados
» 0% de todos os dispositivos testados foram melhores, 0% semelhantes, 100% piores
» O melhor teve um delta de 4%, a média foi 24%, o pior foi 134%
Consumo de energia
A fonte de alimentação de 100 watts incluída é mais do que suficiente aqui - o consumo máximo medido atinge brevemente até 98 watts. Após a curta fase de aumento, há energia suficiente disponível para o laptop, mesmo durante os testes de estresse, para carregar a bateria.
No modo de espera, o sistema consome de 6 a 9 watts, o que é típico de muitos laptops com painel IPS. Portanto, considerando uma tela OLED, o Swift Go AI pode se orgulhar de um consumo de energia comparativamente baixo.
| desligado | |
| Ocioso | |
Key:
min: | |
Consumo de energia Cyberpunk / teste de estresse
Consumo de energia do monitor externo
Duração da bateria
A bateria tem capacidade de 75 Wh e é média para um laptop desse tamanho. Com navegação prática na Web em WiFi, ela dura cerca de 16 horas. Isso deve ser mais do que suficiente para um dia de trabalho sem a necessidade de carregar uma fonte de alimentação.
| Acer Swift Go 16 AI SFG16-61-R5Y5 Ryzen AI 7 350, Radeon 860M, 75 Wh | Lenovo Yoga Pro 9 16IAH G10 RTX 5060 Ultra 7 255H, GeForce RTX 5060 Laptop, 84 Wh | Dell 16 Plus Core Ultra 7 256V, Arc 140V, 64 Wh | LG Gram Pro 16Z90TS-G.AU89G Core Ultra 7 256V, Arc 140V, 77 Wh | MSI Prestige 16 AI Evo B2HMG Ultra 9 285H, Arc 140T, 99.9 Wh | Acer Aspire 16 A16-51GM-77G2 Core 7 150U, GeForce RTX 2050 Mobile, 48.5 Wh | Média da turma Multimedia | |
|---|---|---|---|---|---|---|---|
| Duração da bateria | -41% | -16% | 17% | -2% | -40% | -32% | |
| WiFi v1.3 (h) | 16.8 | 9.9 -41% | 14.1 -16% | 19.6 17% | 16.5 -2% | 10.1 -40% | 11.4 ? -32% |
| H.264 (h) | 20.8 | 8.3 | 15.8 ? | ||||
| Load (h) | 2.4 | 2.2 | 1.676 ? |
Classificação do Notebookcheck
Acer Swift Go 16 AI SFG16-61-R5Y5
- 11/25/2025 v8
Marc Herter
Alternativas mágicas em comparação
Imagem | Modelo / Análises | Preço | Peso | Altura | Tela |
|---|---|---|---|---|---|
| Acer Swift Go 16 AI SFG16-61-R5Y5 AMD Ryzen AI 7 350 ⎘ AMD Radeon 860M ⎘ 16 GB Memória, 1024 GB SSD | Preço de tabela: 1299€ | 1.5 kg | 17 mm | 16.00" 2880x1800 151 PPI OLED | |
| Lenovo Yoga Pro 9 16IAH G10 RTX 5060 Intel Core Ultra 7 255H ⎘ NVIDIA GeForce RTX 5060 Laptop ⎘ 32 GB Memória, 1024 GB SSD | Preço de tabela: 2199€ | 1.9 kg | 17.9 mm | 16.00" 2880x1800 212 PPI OLED | |
| Dell 16 Plus Intel Core Ultra 7 256V ⎘ Intel Arc Graphics 140V ⎘ 16 GB Memória | Amazon: $1,235.99 Preço de tabela: 1150 USD | 1.8 kg | 16.99 mm | 16.00" 2560x1600 189 PPI IPS | |
| LG Gram Pro 16Z90TS-G.AU89G Intel Core Ultra 7 256V ⎘ Intel Arc Graphics 140V ⎘ 16 GB Memória, 1024 GB SSD | Amazon: 1. $1,329.99 LG gram Pro 2 in1 16-Inch Li... 2. $1,996.99 LG gram Pro 2in1 16-inch Lig... 3. $2,597.00 LG gram Pro 16-inch Lightwei... Preço de tabela: 2050€ | 1.2 kg | 13 mm | 16.00" 2560x1600 189 PPI IPS | |
| MSI Prestige 16 AI Evo B2HMG Intel Core Ultra 9 285H ⎘ Intel Arc Graphics 140T ⎘ 32 GB Memória, 1024 GB SSD | Amazon: 1. $1,499.99 MSI Prestige 16 AI Evo Lapto... 2. $1,799.00 msi Prestige 16 AI Evo B1MG-... 3. $1,669.00 MSI Prestige 16 AI Evo Lapto... | 1.6 kg | 18.95 mm | 16.00" 2560x1600 189 PPI IPS | |
| Acer Aspire 16 A16-51GM-77G2 Intel Core 7 150U ⎘ NVIDIA GeForce RTX 2050 Mobile ⎘ 16 GB Memória, 1024 GB SSD | Amazon: 1. $119.50 Factory Original 16GB (1x16G... 2. $85.87 A-Tech 16GB RAM for Acer Asp... Preço de tabela: 929 Euro | 1.9 kg | 21 mm | 16.00" 1920x1200 142 PPI IPS | |
| Dell 16 Premium DA16250 Intel Core Ultra 7 255H ⎘ NVIDIA GeForce RTX 5070 Laptop ⎘ 32 GB Memória, 1024 GB SSD | Amazon: $3,599.00 Preço de tabela: 3300 USD | 2.3 kg | 18.7 mm | 16.30" 3840x2400 278 PPI OLED | |
| Lenovo IdeaPad Slim 5 16AKP10 AMD Ryzen AI 5 330 ⎘ AMD Radeon 820M ⎘ 16 GB Memória, 512 GB SSD | Amazon: 1. $749.00 Lenovo IdeaPad Slim 5 16AKP1... 2. $678.00 Lenovo 2025 IdeaPad Slim 5 L... 3. $579.00 Lenovo IdeaPad Slim 5, 16" W... Preço de tabela: 700 EUR | 1.9 kg | 18.4 mm | 16.00" 1920x1200 142 PPI IPS |
Transparência
A seleção dos dispositivos a serem analisados é feita pela nossa equipe editorial. A amostra de teste foi fornecida ao autor como empréstimo pelo fabricante ou varejista para fins desta revisão. O credor não teve influência nesta revisão, nem o fabricante recebeu uma cópia desta revisão antes da publicação. Não houve obrigação de publicar esta revisão. Como empresa de mídia independente, a Notebookcheck não está sujeita à autoridade de fabricantes, varejistas ou editores.
É assim que o Notebookcheck está testando
Todos os anos, o Notebookcheck analisa de forma independente centenas de laptops e smartphones usando procedimentos padronizados para garantir que todos os resultados sejam comparáveis. Desenvolvemos continuamente nossos métodos de teste há cerca de 20 anos e definimos padrões da indústria no processo. Em nossos laboratórios de teste, equipamentos de medição de alta qualidade são utilizados por técnicos e editores experientes. Esses testes envolvem um processo de validação em vários estágios. Nosso complexo sistema de classificação é baseado em centenas de medições e benchmarks bem fundamentados, o que mantém a objetividade.























































