Veredicto Samsung Galaxy A17 4G
Dificilmente o senhor conseguirá um smartphone com tela AMOLED mais barato do que o Samsung Galaxy A17 4G: O senhor paga menos de 200 euros pelo telefone. Mas o senhor também terá que dispensar a capacidade 5G e se contentar com 4 GB de RAM, pelo menos no modelo básico. A duração da bateria também é bastante medíocre.
O senhor não vai querer executar aplicativos muito complexos no SoC relativamente lento. No entanto, a maioria das tarefas diárias é executada sem problemas.
O sistema de câmera flexível com câmera grande angular e macro também é incomum, mesmo que elas tenham uma resolução muito baixa.
O senhor terá que conviver com a oscilação do PWM na tela e não deve exigir muito da velocidade do Wi-Fi.
No geral, porém, o Samsung Galaxy A17 4G é um smartphone econômico excepcionalmente bem equipado que definitivamente vale a pena dar uma olhada.
Pro
Contra
Preço e disponibilidade
Na amazon.com, o senhor pagará cerca de US$ 230 pelo smartphone.
Índice
- Veredicto Samsung Galaxy A17 4G
- Especificações
- Carcaça e recursos - plástico e Gorilla Glass
- Comunicação e operação - Telefone LTE com sensor de impressão digital
- Software e sustentabilidade - 6 anos de atualizações?
- Câmeras - excepcionalmente flexíveis
- Tela - AMOLED brilhante de 90 Hz
- Desempenho, emissões e duração da bateria - razoavelmente rápido
- Avaliação geral do Notebookcheck
- Possíveis alternativas em comparação
Especificações
Os Top 10
» Os Top 10 Portáteis Multimídia
» Os Top 10 Portáteis de Jogos
» Os Top 10 Portáteis Leves para Jogos
» Os Top 10 Portáteis Acessíveis de Escritório/Empresariais
» Os Top 10 Portáteis Premium de Escritório/Empresariais
» Os Top 10 dos Portáteis Workstation
» Os Top 10 Subportáteis
» Os Top 10 Ultrabooks
» Os Top 10 Conversíveis
» Os Top 10 Tablets
» Os Top 10 Smartphones
» A melhores Telas de Portáteis Analisadas Pela Notebookcheck
» Top 10 dos portáteis abaixo dos 500 Euros da Notebookcheck
» Top 10 dos Portáteis abaixo dos 300 Euros
Carcaça e recursos - plástico e Gorilla Glass
O chassi do Samsung Galaxy A17 4G foi redesenhado, emagrecido e ficou 10 gramas mais leve que seu antecessor.
Toda a estrutura é feita de plástico, mas parece resistente e tem um acabamento limpo. A parte traseira reflete levemente a luz ambiente, mas o design geral é bastante simples. As câmeras são combinadas em um módulo oval. A tela é protegida pelo Gorilla Glass Victus, uma raridade nessa faixa de preço.
Nosso dispositivo de teste vem com 4 GB de RAM e 128 GB de armazenamento em massa. Há também um modelo com 8 GB de RAM e 256 GB de armazenamento em massa, a diferença de preço é de cerca de 30 euros.
Gostamos do fato de que o NFC está disponível, por exemplo, para serviços de pagamento móvel.
Um eSIM não pode ser usado, mas há dois slots nano-SIM disponíveis. Um deles também pode ser usado para um cartão microSD, que expande a memória em até 2 TB. Em nosso teste, o leitor funcionou de forma razoavelmente rápida e com taxas de transferência estáveis.
| SD Card Reader - average JPG Copy Test (av. of 3 runs) | |
| Samsung Galaxy A17 5G (Angelbird V60) | |
| Samsung Galaxy A16 4G (Angelbird V60) | |
| Samsung Galaxy A17 4G | |
| Xiaomi Redmi 15C 5G (Angelbird V60) | |
| Média da turma Smartphone (5.72 - 58.9, n=69, últimos 2 anos) | |
| Motorola Moto G15 (Angelbird V60) | |
Teste de disco entre plataformas (CPDT)
Comunicação e operação - Telefone LTE com sensor de impressão digital
O senhor não tem acesso a comunicações móveis 5G e também não há muitas bandas de frequência disponíveis na rede LTE.
A recepção nem sempre é ideal em várias verificações pontuais durante nosso teste, mas raramente falha completamente.
No Wi-Fi, o telefone só pode usar o padrão WiFi 5, no máximo. Isso significa que as taxas de dados de cerca de 300 MBit/s são alcançadas de forma bastante estável.
A tela pode exibir até 90 quadros por segundo e, portanto, reage rapidamente às entradas. A tela sensível ao toque pode ser operada com precisão.
Um sensor de impressão digital está integrado ao botão de espera no lado direito da caixa, o que desbloqueia o telefone de forma confiável e com pouco tempo de espera. O desbloqueio biométrico por meio de reconhecimento facial também é possível. Ele também funciona de forma bastante rápida e precisa com boa iluminação ambiente.
| Networking | |
| Samsung Galaxy A17 4G | |
| iperf3 transmit AXE11000 | |
| iperf3 receive AXE11000 | |
| Samsung Galaxy A17 5G | |
| iperf3 transmit AXE11000 | |
| iperf3 receive AXE11000 | |
| Xiaomi Redmi 15C 5G | |
| iperf3 transmit AXE11000 | |
| iperf3 receive AXE11000 | |
| Samsung Galaxy A16 4G | |
| iperf3 transmit AXE11000 | |
| iperf3 receive AXE11000 | |
| Motorola Moto G15 | |
| iperf3 transmit AXE11000 | |
| iperf3 receive AXE11000 | |
| Média 802.11 a/b/g/n/ac | |
| iperf3 transmit AXE11000 | |
| iperf3 receive AXE11000 | |
| Média da turma Smartphone | |
| iperf3 transmit AXE11000 | |
| iperf3 receive AXE11000 | |
Software e sustentabilidade - 6 anos de atualizações?
Android 15 vem pré-instalado no dispositivo, com o OneUI da Samsung na parte superior, o que altera o sistema operacional de forma bastante significativa.
O Galaxy A17 4G receberá atualizações até 2031, ou seja, por seis anos a partir do lançamento, e novas versões do sistema operacional estarão disponíveis durante esse período. No entanto, a Samsung restringe isso em seu site com o acréscimo "até" e outras cláusulas legais. Portanto, o senhor não pode confiar totalmente nessa grande promessa.
O Galaxy A17 4G é embalado em papel. Os materiais reciclados representam apenas 1,4% do produto. Pelo menos há um banco de dados de autorreparo no site https://samsung.sparepartservice.shop/eshopmvc/countryselect?g7=1284980N&goto=index?g7%3D1284980N%26&checksum=3d7de8c4422afb1b9bd970b4d27ebf65 no qual a Samsung oferece peças de reposição.
Câmeras - excepcionalmente flexíveis
Nada mudou nas câmeras em comparação com o Galaxy A16 4Gmas ele já era muito bem equipado: Além da câmera principal de 50 megapixels, há também uma lente grande angular e uma lente macro. Ambas têm uma resolução baixa, mas o sistema de câmera ainda é bastante flexível.
A câmera principal tira fotos aceitáveis que mostram cores frias. Os detalhes nem sempre são facilmente reconhecíveis. A imagem ao redor também aparece um pouco desfocada em alguns pontos. Com pouca luz e contrastes fortes, o brilho é muito bom e ainda é possível distinguir detalhes na maioria das áreas.
Os vídeos podem ser gravados em um máximo de 1080p e 30 fps. O nível de detalhes é decente, mas o foco automático às vezes é muito lento.
A imagem da câmera grande angular parece bastante grosseira. A câmera frontal tira selfies decentes com um bom nível de detalhes.
Comparação de imagens
Escolha uma cena e navegue pela primeira imagem. Um clique muda a posição nas telas sensíveis ao toque. Um clique na imagem ampliada abre o original em uma nova janela. A primeira imagem mostra a fotografia em escala do dispositivo de teste.
Hauptkamera PflanzeHauptkamera UmgebungHauptkamera LowLightWeitwinkel

Tela - AMOLED brilhante de 90 Hz
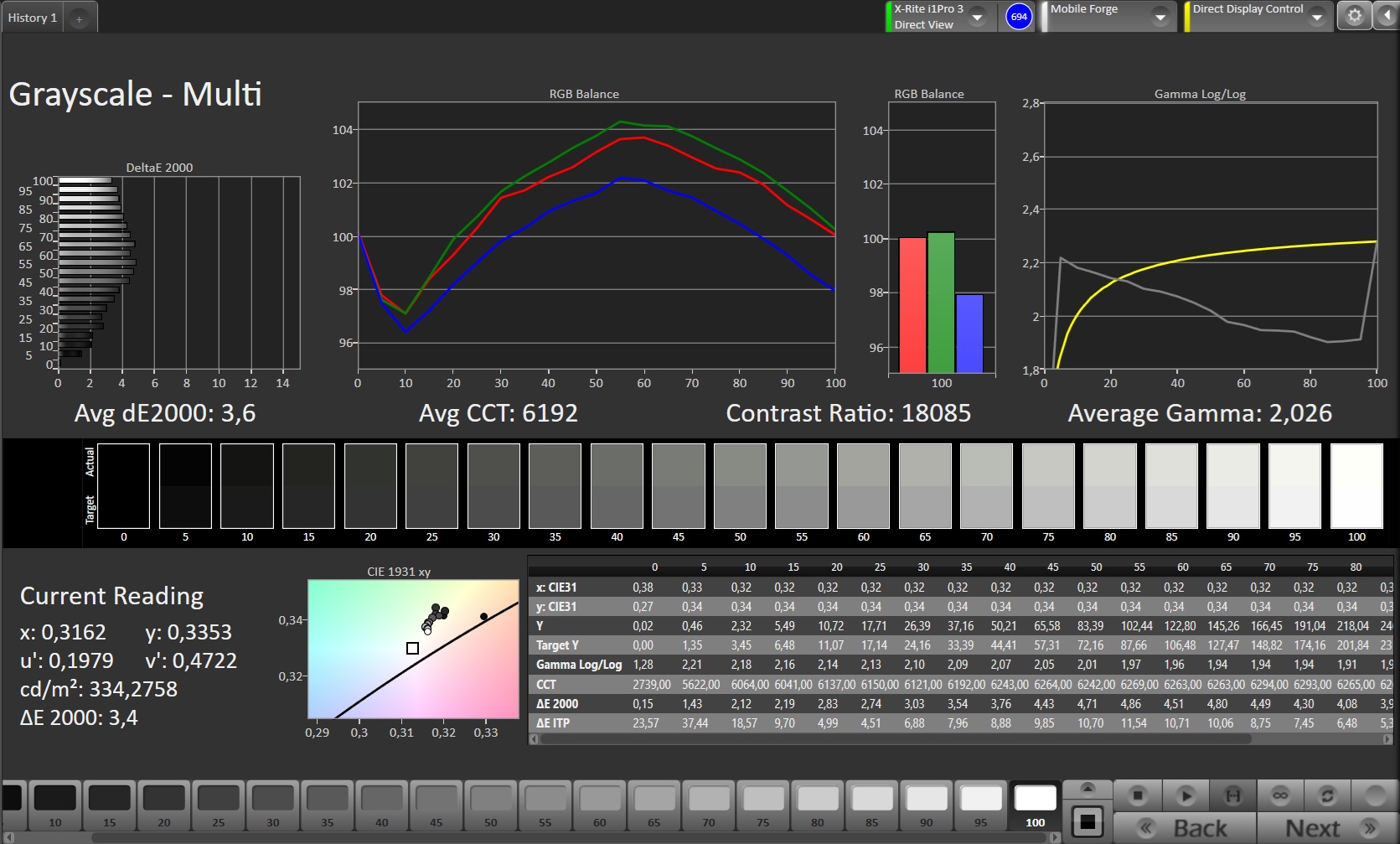
A tela AMOLED do Galaxy A17 é uma raridade na faixa de preço abaixo de 200 euros. A tela é bastante brilhante, com até 687 cd/m².
A reprodução de cores também é agradável, com apenas pequenos desvios que são pouco visíveis a olho nu.
A imagem parece bastante nítida e as cores são vivas.
No entanto, o senhor também precisa aceitar a oscilação de PWM em níveis baixos de brilho.
| |||||||||||||||||||||||||
iluminação: 93 %
iluminação com acumulador: 687 cd/m²
Contraste: ∞:1 (Preto: 0 cd/m²)
ΔE ColorChecker Calman: 3.45 | ∀{0.5-29.43 Ø4.78}
ΔE Greyscale Calman: 3.6 | ∀{0.09-98 Ø5}
99.8% sRGB (Calman 2D)
Gamma: 2.026
CCT: 6192 K
| Samsung Galaxy A17 4G AMOLED, 2340x1080, 6.7" | Samsung Galaxy A17 5G AMOLED, 2340x1080, 6.7" | Xiaomi Redmi 15C 5G IPS, 1600x720, 6.9" | Samsung Galaxy A16 4G Super AMOLED, 2340x1080, 6.7" | Motorola Moto G15 IPS, 2400x1080, 6.7" | |
|---|---|---|---|---|---|
| Screen | 5% | 1% | 8% | 5% | |
| Brightness middle (cd/m²) | 687 | 691 1% | 591 -14% | 729 6% | 468 -32% |
| Brightness (cd/m²) | 666 | 672 1% | 557 -16% | 716 8% | 452 -32% |
| Brightness Distribution (%) | 93 | 92 -1% | 91 -2% | 95 2% | 86 -8% |
| Black Level * (cd/m²) | 0.51 | 0.3 | |||
| Colorchecker dE 2000 * | 3.45 | 3.15 9% | 3.25 6% | 3.14 9% | 2.07 40% |
| Colorchecker dE 2000 max. * | 5.49 | 4.41 20% | 6.77 -23% | 4.24 23% | 6.38 -16% |
| Greyscale dE 2000 * | 3.6 | 3.6 -0% | 1.6 56% | 3.6 -0% | 0.8 78% |
| Gamma | 2.026 109% | 2.041 108% | 2.299 96% | 2.057 107% | 2.202 100% |
| CCT | 6192 105% | 6507 100% | 6967 93% | 6441 101% | 6607 98% |
| Contrast (:1) | 1159 | 1560 |
* ... menor é melhor
Cintilação da tela / PWM (modulação por largura de pulso)
| Tela tremeluzindo/PWM detectado | 367 Hz Amplitude: 16 % | ||
A luz de fundo da tela pisca em 367 Hz (pior caso, por exemplo, utilizando PWM) . A frequência de 367 Hz é relativamente alta, portanto, a maioria dos usuários sensíveis ao PWM não deve notar nenhuma oscilação. No entanto, há relatos de que alguns usuários ainda são sensíveis ao PWM em 500 Hz e acima, portanto, esteja atento. [pwm_comparison] Em comparação: 53 % de todos os dispositivos testados não usam PWM para escurecer a tela. Se PWM foi detectado, uma média de 8125 (mínimo: 5 - máximo: 343500) Hz foi medida. | |||
Exibir tempos de resposta
| ↔ Tempo de resposta preto para branco | ||
|---|---|---|
| 2.5 ms ... ascensão ↗ e queda ↘ combinadas | ↗ 1.2 ms ascensão | |
| ↘ 1.3 ms queda | ||
| A tela mostra taxas de resposta muito rápidas em nossos testes e deve ser muito adequada para jogos em ritmo acelerado. Em comparação, todos os dispositivos testados variam de 0.1 (mínimo) a 240 (máximo) ms. » 12 % de todos os dispositivos são melhores. Isso significa que o tempo de resposta medido é melhor que a média de todos os dispositivos testados (20.2 ms). | ||
| ↔ Tempo de resposta 50% cinza a 80% cinza | ||
| 2 ms ... ascensão ↗ e queda ↘ combinadas | ↗ 1 ms ascensão | |
| ↘ 1 ms queda | ||
| A tela mostra taxas de resposta muito rápidas em nossos testes e deve ser muito adequada para jogos em ritmo acelerado. Em comparação, todos os dispositivos testados variam de 0.165 (mínimo) a 636 (máximo) ms. » 8 % de todos os dispositivos são melhores. Isso significa que o tempo de resposta medido é melhor que a média de todos os dispositivos testados (31.6 ms). | ||
Desempenho, emissões e duração da bateria - razoavelmente rápido
O MediaTek Helio G99 é um SoC muito popular nessa categoria de preço. Ele geralmente permite uma operação tranquila, mas podem ocorrer tempos de espera em situações mais exigentes.
O desempenho está significativamente abaixo do modelo 5G do Galaxy A17, mas, por outro lado, está no mesmo nível dos modelos com preços semelhantes. A memória UFS 2.2 funciona com bastante rapidez, mas, na verdade, é mais lenta do que no antecessor, o que só pode ser explicado por um controlador de memória diferente ou pela limitação do software.
O telefone aquece até um máximo de 44,4 °C sob carga prolongada, o que é perceptível, mas não crítico. O telefone também se reduz minimamente, na melhor das hipóteses, após longos períodos de uso.
O alto-falante único na borda inferior tem um som melhor do que o do seu antecessor, ainda bom no volume máximo e não mais tão pesado nos agudos. Portanto, o senhor pode ouvir música pop ou trilhas sonoras de filmes. As conexões USB ou Bluetooth estão disponíveis para dispositivos de áudio externos. Entretanto, há relativamente poucos codecs de áudio para transmissão sem fio.
A bateria de 5.000 mAh é a mesma do Galaxy A16 4G e os tempos de execução são apenas ligeiramente diferentes. O Samsung Galaxy A17 4G dura cerca de 13 horas em nosso teste de bateria WiFi, revelando um de seus pontos fracos em comparação com outros telefones.
| Jetstream 2 - 2.0 Total Score | |
| Média da turma Smartphone (23.8 - 387, n=151, últimos 2 anos) | |
| Samsung Galaxy A17 5G | |
| Xiaomi Redmi 15C 5G | |
| Samsung Galaxy A17 4G | |
| Média Mediatek Helio G99 (46.9 - 90.3, n=13) | |
| Samsung Galaxy A17 4G | Samsung Galaxy A17 5G | Xiaomi Redmi 15C 5G | Samsung Galaxy A16 4G | Motorola Moto G15 | Média 128 GB eMMC Flash | Média da turma Smartphone | |
|---|---|---|---|---|---|---|---|
| AndroBench 3-5 | -1% | 181% | 179% | -3% | -16% | 475% | |
| Sequential Read 256KB (MB/s) | 518.6 | 528.2 2% | 509.9 -2% | 942.8 82% | 287.7 -45% | 300 ? -42% | 2226 ? 329% |
| Sequential Write 256KB (MB/s) | 172.6 | 170.7 -1% | 512.1 197% | 710.8 312% | 228.5 32% | 195.1 ? 13% | 1837 ? 964% |
| Random Read 4KB (MB/s) | 141.1 | 134.7 -5% | 196.3 39% | 208.8 48% | 65.2 -54% | 85.9 ? -39% | 295 ? 109% |
| Random Write 4KB (MB/s) | 55.9 | 56.4 1% | 329 489% | 208.1 272% | 87.4 56% | 58.1 ? 4% | 334 ? 497% |
(±) A temperatura máxima no lado superior é 44.4 °C / 112 F, em comparação com a média de 35.2 °C / 95 F , variando de 21.9 a 247 °C para a classe Smartphone.
(±) A parte inferior aquece até um máximo de 44.9 °C / 113 F, em comparação com a média de 34 °C / 93 F
(+) Em uso inativo, a temperatura média para o lado superior é 25.3 °C / 78 F, em comparação com a média do dispositivo de 32.9 °C / ### class_avg_f### F.
testes de estresse do 3DMark
| 3DMark | |
| Wild Life Stress Test Stability | |
| Samsung Galaxy A17 4G | |
| Motorola Moto G15 | |
| Samsung Galaxy A17 5G | |
| Xiaomi Redmi 15C 5G | |
| Samsung Galaxy A16 4G | |
| Wild Life Extreme Stress Test | |
| Motorola Moto G15 | |
| Xiaomi Redmi 15C 5G | |
| Samsung Galaxy A17 4G | |
| Samsung Galaxy A16 4G | |
| Samsung Galaxy A17 5G | |
Samsung Galaxy A17 4G análise de áudio
(+) | os alto-falantes podem tocar relativamente alto (###valor### dB)
Graves 100 - 315Hz
(-) | quase nenhum baixo - em média 24% menor que a mediana
(±) | a linearidade dos graves é média (12.9% delta para a frequência anterior)
Médios 400 - 2.000 Hz
(±) | médios mais altos - em média 6.1% maior que a mediana
(+) | médios são lineares (5.3% delta para frequência anterior)
Altos 2 - 16 kHz
(±) | máximos mais altos - em média 6.5% maior que a mediana
(±) | a linearidade dos máximos é média (9% delta para frequência anterior)
Geral 100 - 16.000 Hz
(±) | a linearidade do som geral é média (21.9% diferença em relação à mediana)
Comparado com a mesma classe
» 44% de todos os dispositivos testados nesta classe foram melhores, 8% semelhantes, 48% piores
» O melhor teve um delta de 11%, a média foi 35%, o pior foi 134%
Comparado com todos os dispositivos testados
» 62% de todos os dispositivos testados foram melhores, 7% semelhantes, 31% piores
» O melhor teve um delta de 4%, a média foi 24%, o pior foi 134%
Motorola Moto G15 análise de áudio
(+) | os alto-falantes podem tocar relativamente alto (###valor### dB)
Graves 100 - 315Hz
(-) | quase nenhum baixo - em média 23.7% menor que a mediana
(±) | a linearidade dos graves é média (11.9% delta para a frequência anterior)
Médios 400 - 2.000 Hz
(±) | médios mais altos - em média 5.3% maior que a mediana
(+) | médios são lineares (5.8% delta para frequência anterior)
Altos 2 - 16 kHz
(+) | agudos equilibrados - apenas 3.3% longe da mediana
(+) | os máximos são lineares (5.9% delta da frequência anterior)
Geral 100 - 16.000 Hz
(±) | a linearidade do som geral é média (19.9% diferença em relação à mediana)
Comparado com a mesma classe
» 32% de todos os dispositivos testados nesta classe foram melhores, 8% semelhantes, 61% piores
» O melhor teve um delta de 11%, a média foi 35%, o pior foi 134%
Comparado com todos os dispositivos testados
» 50% de todos os dispositivos testados foram melhores, 7% semelhantes, 43% piores
» O melhor teve um delta de 4%, a média foi 24%, o pior foi 134%
| Samsung Galaxy A17 4G 5000 mAh | Samsung Galaxy A17 5G 5000 mAh | Xiaomi Redmi 15C 5G 6000 mAh | Samsung Galaxy A16 4G 5000 mAh | Motorola Moto G15 5200 mAh | |
|---|---|---|---|---|---|
| Duração da bateria | 2% | 43% | 16% | 31% | |
| WiFi v1.3 (h) | 13 | 13.2 2% | 18.6 43% | 15.1 16% | 17 31% |
| Reader / Idle (h) | 33.7 | 27.2 | 29.8 | ||
| H.264 (h) | 17.9 | 23.7 | 19.8 | ||
| Load (h) | 4.5 | 5.8 | 5.5 |
Avaliação geral do Notebookcheck
O Samsung Galaxy A17 4G é muito bem equipado para sua faixa de preço.
Os únicos pontos fracos são os tempos de execução e a promessa de atualização instável.

Samsung Galaxy A17 4G
- 10/24/2025 v8
Florian Schmitt
Possíveis alternativas em comparação
Imagem | Modelo / Análises | Preço | Peso | Unidade | Tela |
|---|---|---|---|---|---|
| Samsung Galaxy A17 4G Mediatek Helio G99 ⎘ ARM Mali-G57 MP2 ⎘ 4 GB Memória, 128 GB eMMC | Amazon: $204.99 Preço de tabela: 185€ | 190 g | 128 GB eMMC Flash | 6.70" 2340x1080 385 PPI AMOLED | |
| Samsung Galaxy A17 5G Samsung Exynos 1330 ⎘ ARM Mali-G68 MP2 ⎘ 4 GB Memória, 128 GB eMMC | Amazon: $214.62 Preço de tabela: 209€ | 192 g | 128 GB eMMC Flash | 6.70" 2340x1080 385 PPI AMOLED | |
| Xiaomi Redmi 15C 5G Mediatek Dimensity 6300 ⎘ ARM Mali-G57 MP2 ⎘ 4 GB Memória, 128 GB UFS 2.1 | Amazon: 1. $7.99 Suttkue for Xiaomi Redmi 15C... 2. $3.59 Mr.Shield Screen Protector c... 3. $8.57 GANGANPRO 2 Pack Privacy Scr... Preço de tabela: 170€ | 211 g | 128 GB UFS 2.2 Flash | 6.90" 1600x720 254 PPI IPS | |
| Samsung Galaxy A16 4G Mediatek Helio G99 ⎘ ARM Mali-G57 MP2 ⎘ 4 GB Memória, 128 GB UFS 2.1 | Amazon: $125.67 Preço de tabela: 179€ | 200 g | 128 GB UFS 2.2 Flash | 6.70" 2340x1080 385 PPI Super AMOLED | |
| Motorola Moto G15 Mediatek Helio G81 ⎘ ARM Mali-G52 MP2 ⎘ 4 GB Memória, 128 GB eMMC | Amazon: $133.70 Preço de tabela: 150€ | 190 g | 128 GB eMMC Flash | 6.72" 2400x1080 392 PPI IPS |
Transparência
A seleção dos dispositivos a serem analisados é feita pela nossa equipe editorial. A amostra de teste foi fornecida ao autor como empréstimo pelo fabricante ou varejista para fins desta revisão. O credor não teve influência nesta revisão, nem o fabricante recebeu uma cópia desta revisão antes da publicação. Não houve obrigação de publicar esta revisão. Como empresa de mídia independente, a Notebookcheck não está sujeita à autoridade de fabricantes, varejistas ou editores.
É assim que o Notebookcheck está testando
Todos os anos, o Notebookcheck analisa de forma independente centenas de laptops e smartphones usando procedimentos padronizados para garantir que todos os resultados sejam comparáveis. Desenvolvemos continuamente nossos métodos de teste há cerca de 20 anos e definimos padrões da indústria no processo. Em nossos laboratórios de teste, equipamentos de medição de alta qualidade são utilizados por técnicos e editores experientes. Esses testes envolvem um processo de validação em vários estágios. Nosso complexo sistema de classificação é baseado em centenas de medições e benchmarks bem fundamentados, o que mantém a objetividade.






















